Hola.
Un hongo que a pesar de ser aparentemente abundante, pocos son los que se han dedicado a estudiar, sobre la superficie de una espata del suelo en descomposición de una palmera de coco (Cocos nucifera), tenemos el:
Helicotruncatum palmigenum (Penz. & Sacc.) YZ Lu & KD Hyde
Syn: Helicoma palmigenumEl término palmigenum es un epíteto latino utilizado principalmente en la nomenclatura biológica para describir organismos que se originan, crecen o viven sobre las palmas.
El hongo con aspecto de una pruína negruzaca, apareciendo sobre la superficie de la espata, compartiendo espacio con un hongo Crepitoide.
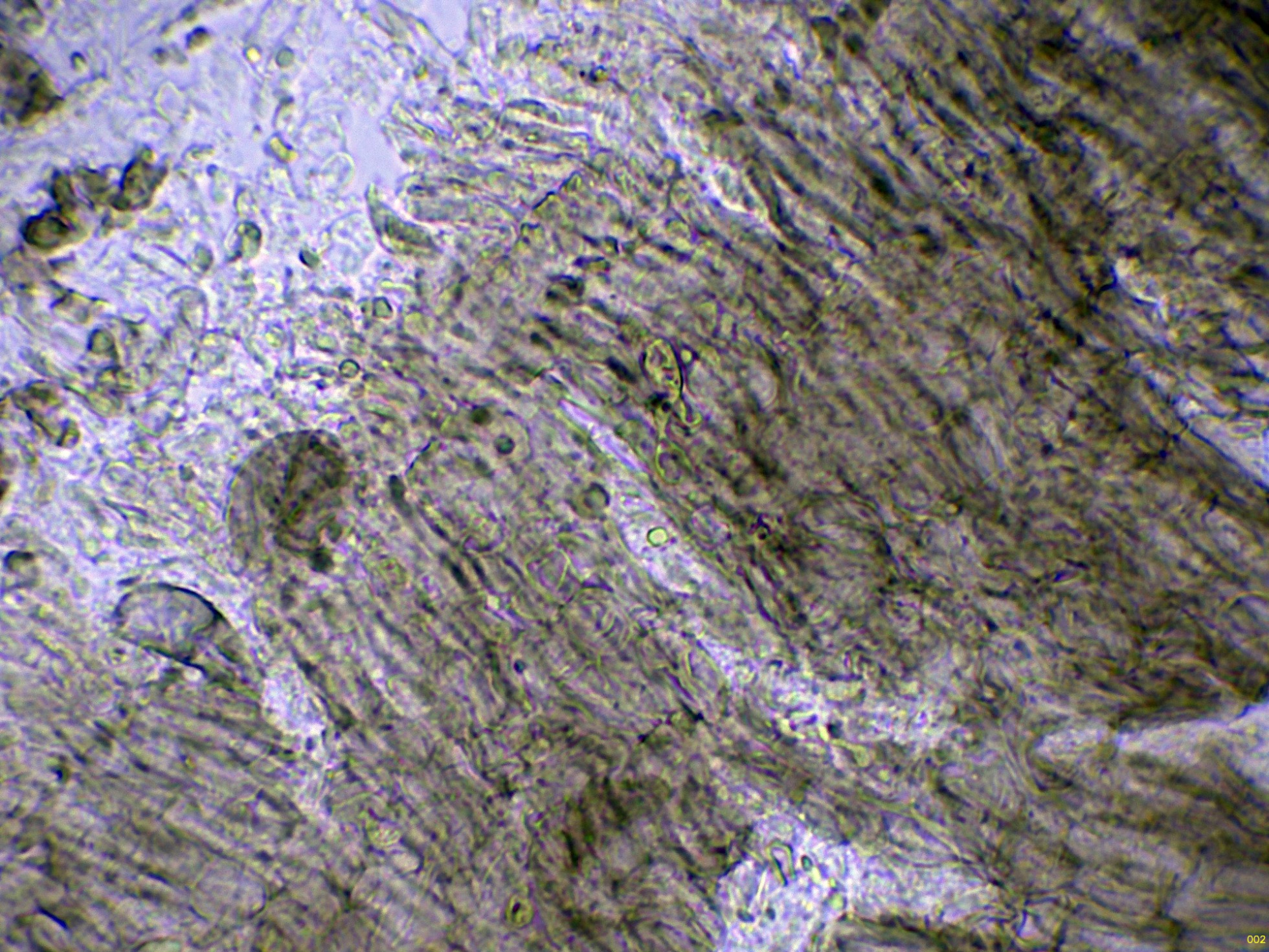
Superficie de la espata con el hongo a 20 aumentos:
Hifas conidiógenas y conidios a 400 aumentos en Reactivo de Melzer:
Base de las hifas conidiógenas en Reactivo de Melzer a 1000 aumentos:
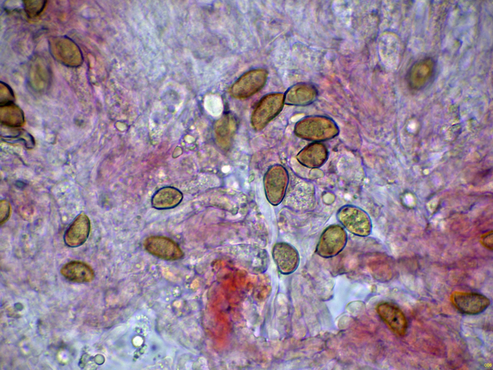
Conidios en solución de Rojo Congo a 1000 aumentos:
Conidios a 1000 aumentos en Reactivo de Melzer:
Anchura del filamento conidial:
Estos conidios con unas medidas de:
(29.6) 31.5 - 43.4 (44.1) × (24.7) 26.4 - 40.4 (42.1) µm
Q = (1) 1.1 - 1.2 (1.3) ; N = 14
Me = 37.7 × 33.8 µm ; Qe = 1.1
Adjunto una captura de pantalla con las Claves:
En esta ocasión se trata de una especie relativamente fácil de identificar, no tan solo ya por el sustrato, sino que también por el ancho de los filamentos conidiales, ya que es la única con una anchura de 11 a 14 µm., solo superada por la Helicoma roseolum (28 a 31 µm.), ya que todas las demás congéneres, ninguna de ellas llega a las 10 µm. de anchura.
Para cerrar el tema añado una imágen de la especie extraída del mismo documento de las Claves.
Saludos.
Leer Más...
Gracias Juan Andrés, un buen trabajo por parte de ambos.
A esta ya la fusilé 9 años atrás, cunado recién empezaba con las microscopías, dejo el enlace:
www.fungipedia.org/setas-informacion-y-c...onychinum.html#92768
Un abrazo wink.png
Leer Más...
Hola a tod@s: En esta ocasión presentamos una nueva ficha de Calocybe onychina.
En el siguiente enlace tenemos la magnífica ficha descriptiva de Javi Calvo Pérez, además de las fotografías y su correspondiente microscopía.
www.fungipedia.org/hongos/calocybe-onychina.html
Leer Más...
Hola.
Una diminuta Mycena, localizada el 6 de diciembre pasado, brotando sobre hojas en descomposición de Quercus rotundifolia.
A tenor de la microscopía obtenida, disponía de suficiente información para poder defender con uñas y dientes, vamos como gato panza arriba, de que se trataba sin ningún atisbo de duda de Mycena polyadelpha, ya que encajaba todo prefectamente con el trabajo de Aronsen.
Afortunadamente en el congreso, pude contar con la presencia de Manuel Villarreal, en mi opinión el mayor entendido del género en España y quizás del mundo.
Agradecer a Manuel Villarreal, que me condujera por el camino correcto, y que ya tan solo para salir de dudas, me sugirió que optara por el análisis molecular.
La secuenciación del gen ITS determinó que se trataba de:
Mycena quercus-ilicis Kühner
Los basidiomas ya un poco pachuchos a 20 aumentos:
La capa superficial de la suprapellis en solución de Rojo Congo:
La suprapellis en Reactivo de Melzer:
Capa superficial de la caulopellis en solución de Rojo Congo:
Los queilocistidios en solución de Rojo Congo:
Los queilocistidios en Reactivo de Melzer:
Los basidios en solución de Rojo Congo:
Unas esporas libres en el mismo medio, y en la miniatura superior derecha en Reactivo de Melzer, con reacción amiloide:
Estas esporas libres con unas medidas de:
(9) 10.4 - 11.8 (12.1) × (4.3) 5 - 5.7 (6) µm
Q = (1.8) 1.9 - 2.3 (2.4) ; N = 30
Me = 11.1 × 5.3 µm ; Qe = 2.1
Estas medidas, al igual que el resto de la microscopía, así como las características macroscópicas, al igual que el hábitat, encajaba todo con la descripción que hace Aronsen de la Mycena polyadelpha, transcribo la descripción de Aronsen, señalando lo más significativo:En hojas caídas y en descomposición de Quercus. También se ha reportado en hojas de Fagus . Finales de otoño.Píleo de 0,5-2,5 (-4) mm de ancho, hemisférico, parabólico o convexo, a veces algo deprimido centralmente, sulcado, apenas estriado, pubérulo o pubérulo granular, más o menos glabrescentes, muy delgados, translúcidos en partes, blancos. Láminas (0-)4-8(-11) que alcanzan el estípite, subhorizontales a ligeramente arqueadas, a menudo muy estrechas, ampliamente adnadas pero no siempre alcanzando el estípite, el borde recto a cóncavo, blancas. Estípite de 5-50 x 0,1-0,2 mm, filiforme, flexuoso, igual, pruinoso, glabrescentes en la mayor parte, pero pubérulo en la base, blanco acuoso a blanco, ocasionalmente algo pardusco en la base, insticioso. Olor ninguno. Basidios de 15-18 x 8-10 µm, ampliamente claviformes, con 2 o 4 esporas. Esporas (de 4 esporas): 9-11,8 x 3,5-5 µm, Q = 1,9-2,4 o (de 2 esporas): 10-13,5 x 3,5-5 µm, Q = 2,2-3,2, Qav ≈ 2,6, alargadas y con forma de pepita, a veces casi cilíndricas, lisas y amiloides. Queilocistidios de 15-27 x 8-15,5 µm, claviformes, obpiriformes, subcilíndricos a subglobosos, cubiertos de numerosas verrugas o excrecencias cortas de 1-2 µm de longitud, uniformemente espaciadas. Pleurocistidios ausentes. Trama lamelar dextrinoide, vinescente en el reactivo de Melzer. Hifas de la pileipellis de 2,5-20 μm de ancho, densamente cubiertas de verrugas, con celdillas terminales más o menos infladas. Hifas de la capa cortical del estípite de 1,8-5 µm de ancho, cubiertas de excrecencias cilíndricas de 1-5 µm de largo. Caulocistidios de 5-16 µm de ancho, claviformes, cubiertos de excrecencias cilíndricas estrechas. Conexiones de pinza presentes en todos los tejidos en la forma de 4 esporas; ausentes en la forma de 2 esporas.Las medidas de las esporas de mi estudio de (9) 10.4 - 11.8 (12.1) × (4.3) 5 - 5.7 (6) µm., exceptuando en mi caso una anchura ligeramente mayor, entran bien dentro del rango de las indicadas por Aronsen de 9-11,8 x 3,5-5 µm, Q = 1,9-2,4
En cuanto a sobre la Mycena quercus-ilicis, Aronsen opina lo siguiente:Hay varias especies de esta sección que crecen en hojas caídas de Quercus . M. bertaultiana Moreno & Heykoop, M. catalaunica Robich y M. smithiana Kühner se caracterizan por colores rosados. M. quercus-ilicis Kühner es una especie que se encuentra en el sur de Europa. Entre varias cosas, se diferencia de M. polyadelpha por tener esporas con forma de pepita ancha a subglobosas. M. querciphila Esteve-Raventós & Villarreal, conocida de España, se diferencia por tener un píleo de color amarillo oliva pálido, marrón amarillento a gris oliváceo oscuro y queilocistidios lisos. M. smithiana , generalmente con un color rosado en el sombrero, puede presentarse en formas casi completamente blancas, y entonces es muy difícil distinguirla de M. polyadelpha .Aronsen define a la Mycena quercus-ilicis con esporas con forma de pepita ancha a subglobosas, llegado a este punto y como me encontraba en un callejón sin salida, es cuando pedí consejo en privado a Manuel Villarreal, el que me sugirió que para contrastar mi trabajo utilizara el documento de las Mycenas de Kühner, que él mismo me facilitó.
Añado una captura de pantalla de la descripción de la Mycena quercus-ilicis del documento de Kühner:
Añado una ampliación con la información de la microscopía, en especial en lo referente a la morfología esporal y medidas:
En el documento podemos ver que Kühner, en cuanto a la morfología esporal está de acuerdo con Aronsen y define a las esporas de la Mycena quercus-ilicis, como anchamente elípticas a sublobosas, y unas medidas de las esporas de (6.5) 6.7-8 (8.7) x (5) 5.2-5.7 (7) µm., nada que ver con las medidas de mi estudio.
Disponemos además de la ficha de Micocharentes, añado una imágen:
En la ficha se indica asimismo unas medidas muy parecidas a las del documento de Kühner, con unas medidas para las esporas de la Mycena quercus-ilicis de 7-8.5 x 5-7 µm., muy concordantes con las indicadas por Kühner, y además en la ficha se indica claramente que esta se distingue por sus esporas subglobosas, y como posibles confusiones a comparar con la muy parecida Mycena polyadelpha, con esporas subcilíndricas.
A tenor de mi estudio, debo entender que toda la información de que disponemos actualmente sobre la Mycena quercus-ilicis, forzosamente debe de ser errónea, ya que a pesar de que toda la microscopía que pude obtener, apuntaba a la Mycena polyadelpha, en el árbol filogenético, mi recolecta se alinea perfectamente con la única secuencia de que disponemos de la Mycena quercus-ilicis, quedando muy alejada a nivel molecular de la Mycena polyadelpha, que ni tan siquiera aparecía en el Blast, especie que para poder elaborar el árbol con las Mycenas más parecidas, tuve que recurrir a sacar secuencias del NCBI.
Para terminar añado el árbol filogenético, que he elaborado con las Mycenas más parecidas a mi propuesta, remarcando las parecidas Mycena polyadelpha y la Mycena querciphila:
En el árbol vemos mi Mycena quercus-ilicis del Congreso de Mozarrifar, bien alineada con la única secuencia de que disponemos de esta, y en la parte alta y bastante alejada molecularmente tenemos la Mycena polyadelpha, de la que sospeché desde el primer momento, sobre hojas de Quercus tenemos también la parecida Mycena querciphila (parte media del árbol), aunque esta última ya no es de color blanco como las dos anteriores.
Saludos.
Leer Más...
Reabro este tema ya que me parece poder aportar algo de luz al tema.
En primer lugar agradecer a Jesús M. Riezu, su opinión en privado al respecto y por colocarme en el camino correcto.
Quizá me precipité al opinar que estábamos ante una Hyphodontia sin determinar, ya que aunque no disponemos de ninguna secuencia de la especie en el NCBI, si que ya estaría descrita y se trataría de la Hyphodontia tuberculata, actualmente Xylodon tuberculatus (Kotir. & Saaren.) Hjortstam & Ryvarden (2009).
Después de dedicar 11 años a la micologia profunda, debo admitir que sigo siendo un novato en muchos aspectos, aunque si algo he aprendido durante estos años es que si un par de especies se encuentran muy cercanas a nivel molecular, esto se va a traducir al ámbito microscópico y ambas van a presentar una microscopía muy parecida, en este caso ya tenía muy claro desde el principio que debería de tratarse de una Hyphodontia cercana a la Hyphodontia pallidula, especie que tal y como he indicado ya me he encontrado hasta en 11 ocasiones, siempre sobre madera de pino y muy especialmente sobre madera de Pinus sylvestris.
Resulta muy curioso, casi incomprensible que a día de hoy (2026), aun no dispongamos en el NCBI de ninguna secuencia de la Hyphodontia tuberculata, mientras que en otros Aphyllophorales como el Gloeoporus taxicola = Meruliopsis taxicola, dispongamos de hasta 686 secuencias registradas debidamente en GenBank, algo que hace realmente difícil el poder elaborar un árbol filogenético medianamente decente, ya que sería simplemente un monográfico.
Saludos.
Leer Más...
Hola.
Una Mycena del 6 de diciembre pasado, fotografiada en el Pinar de Zuera (Zaragoza).
Como que teniendo en cuenta sus características microscópicas, y siguiendo varias Claves del género no pude llegar a ninguna propuesta medianamente convincente, opté como siempre por el análisis molecular, la secuenciación del gen ITS apuntó claramente a la Mycena galopus.
De la Mycena galopus ya creo haberla estudiado una vez, correspondiente a una recolecta efectuada el 2 de diciembre de 2018, en aquella ocasión con una microscopía completamente distinta, pero que se correspondía perfectamente con la descripción del trabajo de Aronsen, vaya que no se parecía en nada, como un huevo a una castaña.
Mycena galopus (Pers.) P. Kumm.
Las hifas de la suprapellis, sin digitaciones o en todo caso prácticamente imperceptibles, en solución de Rojo Congo diluido:
Las hifas de la suprapellis en Reactivo de Melzer, con un comportamiento débilmente dextrinoide:
Cualocistidios abundantes, en especial en la parte alta del pie.
Los caulocistidios en solución de Rojo Congo:
Las hifas del estípite, dispuestas paralelamente y fibuladas:
Los queilocistidios, cilíndricos, sinuosos, muchos de ellos incluso capitados y con digitaciones gruesas abundantes.
Queilocistidios en solución de Rojo Congo:
Los queilocistidios en Reactivo de Melzer:
Los basidios en solución de Rojo Congo:
Los basidios en Reactivo de Meñzer:
Y una composición de unas pocas esporas libres observadas:
Estas esporas libres con unas medidas de:
(6.4) 6.8 - 9.2 (9.7) × 4 - 5.1 (5.5) µm
Q = (1.5) 1.55 - 1.9 (2.2) ; N = 18
Me = 8.1 × 4.7 µm ; Qe = 1.7
Pongo una captura de imágen con la microscopia que siguiendo el criterio de Aronsen, debería presentar la Mycena galopus:
Aronsen cita unas medidas para las esporas de la Mycena galopus de 10-14 x 5-6 µm, Q 1.9-2.6, Qav~2.1, unas medidas considerablemente por encima de las de mi estudio, al igual que el cociente Q, en mi caso de Qe=1.7 y según Aronsen de Qe=2.1, además la morfología de los queilocistidios los describe como "fusiformes, pero también claviformes u obovoides, simples o furcados", nada que ver con mis imágenes, tampoco encajan las imágenes de la pileipellis que Aronsen la describe con "hifas de 1 a 3,5 µm de ancho, ramificadas, cubiertas de escasa a densamente con excrecencias de 2 a 4,5 micras, nada que ver con el presente estudio.
Añado para poder comparar un par de imágenes de mi estudio realizado a la especie en 2018:
En las imágenes podemos ver que mi microscopía encaja como un guante con la del trabajo de Aronsen, al igual que las medidas de las esporas, en mi estudio de:
(8.2) 8.8 - 10.9 (11.8) × (4.2) 4.5 - 5.1 (5.5) µm
Q = (1.7) 1.8 - 2.26 (2.3) ; N = 24
Me = 9.8 × 4.8 µm ; Qe = 2
Para cerrar el tema añado una imágen con el árbol filogenético:
Vemos mi especie alineada perfectamente dentro del Clado de lo que molecularmente podemos considerar como Mycena galopus.
Saludos.
Leer Más...
Hola.
Un muy diminuto ascomiceto localizado el el Pinar de Zuera (Zaragoza), durante el Congreso de la SIM el día 6 de diciembre pasado.
Agradecer a Hans Otto-Baral, su enorme ayuda en la identificación de la especie.
Calycellina aff. alniella Baral.
Ascomas muy diminutos, amarillentos, con peciolos muy cortos y rudimentarios, verdosos en ejemplares maduros, que brotan de la superficie de hojas del suelo en descomposición de Quercus rotundifolia.
De tan solo 0,2 a 0,4 mm de diámetro.
Los ascomas a 40 aumentos:
Hifas basales alargadas, dispuestas paralelamente y pigmentadas.
Las hifas basales en agua:
Hifas del excípulo de textura globoso-angular, las hifas del excípulo en reactivo de Melzer:
Ascos octosporóricos, con una reacción amiloide de su diminuto aparato apical, y aunque es difícil observarlos en algunos de estos ascos, me pareció ver uncínulos.
Los ascos en agua:
Los ascos en reactivo de Melzer:
Base de los ascos con los supuestamente uncínulos en Reactivo de Melzer:
Y por último unas imágenes de esporas maduras libres en agua:
Ascosporas fusiformes con extremos puntiagudos, dos o tres gotas lipídicas grandes y varias más pequeñas dispersas, con unas medidas de estas ascosporas libres en agua de:
(14.3) 16 - 19.3 (22) × (2.8) 3.1 - 4.3 (4.5) µm
Q = (4.2) 4.3 - 5.5 (5.7) ; N = 40
Me = 17.8 × 3.6 µm ; Qe = 4.9
En este estudio el análisis molecular solo sirvió para poder acercar a la especie a un género determinado, como que en el Blast apuntaba a géneros como Calycellina o Mollisina, es por lo que decidí elaborar un árbol filogenético utilizando secuencias de todas las especies de que disponemos de ambos géneros en GenBank, dejo el resultado:
Llegado a este punto y ante un panorama nada clarificador, es cuando Baral me pide los archivos del análisis molecular, ya que él dispone de muchas más secuencias que nom están disponibles en GenBank, dejo una imagen del árbol filogenético que me hizo Baral:
Y una ampliación de lo que realmente me interesa:
Aquí mi propuesta se alinea en una posición bastante carcana, a una secuencia de la Calycellina alniella.
Según el criterio de Index Fungorum a la Calycellina alniella, actualmente la deberíamos denominar como Calycina alniella.
Al comentar esta circunstancia con Baral, su respuesta literal fue la siguiente:"Calycina alniella fue una idea mía más antigua (1985), o digamos que la consideraba una Pezizella, pero cambié ese género a Calycina, siendo Pezizella el sinónimo más reciente.
Más tarde me convencí de que es una Calycellina, que está conformada por ADN."
Entiendo pues que esto se podría deber a una falta de actualización por parte de Index Fungorum, o ya una falta de interés por parte de Baral, para revertir el entuerto.
Queda pues hasta que nuevos estudios indiquen lo contrario, como lo más parecido que tenemos actualmente, es decir Calycellina aff. alniella.
Este trabajo está guardado por Baral, dentro de su página "In vivo veritas", dentro de las Pezizellaceae, dentro del apartado de Claycellina con 8 esporas, dejo el enlace:
drive.google.com/drive/folders/1IcOyTf5n...kxxZhYVZub0N1aGY5YTg
Saludos.
Leer Más...
Hola.
Una Inocybe pendiente de la recogida de muestras del pasado 3 de enero, con Cándido Sos y Jorge Juan Martín, por el desierto de Las Palmas.
Una Inocybe con unas peculiares características, con la que no le perdí mucho el tiempo en intentar identificar, y opté ya directamente por el análisis molecular.
La secuenciación del gen ITS da una coincidencia por identidad del 100% con la:
Inocybe romana Lonati.
Detalle de la base del estípite, sin ensanchamientos:
Hifas de la suprapellis en agua:
Caulocistidios de la parte alta del pie:
Hifas de la parte media del pie, con muy pocas hifas terminales cilíndricas, que ni tan siquiera puedo considerar como caulocistidios:
Hifas de la parte baja del pie, sin caulocistidios:
Queilocistidios y pleurocistidios con un exudado amorfo en su superficie, y que en algunos casos aislados se pueden observar cristalizaciones, aunque muy escasas, estos pleurocistidios con unas medidas de (41.3) 48.5 - 63.3 (67.6) × (11.2) 15 - 17.6 (20.6) µm., Me = 55.4 × 16 µm.
Los basidios de la cara laminar:
Las esporas en reactivo de Melzer, con un comportamiento débilmente dextrinoide:
Las esporas en solución de KOH, sin ninguna reacción aparente:
Y por último las esporas en agua:
Estas esporas obtenidas por esporulación natural y en agua con unas medidas de:
(8.2) 8.7 - 10.6 (11.9) × (4.8) 5 - 5.5 (5.7) µm
Q = (1.5) 1.7 - 2 (2.2) ; N = 40
Me = 9.6 × 5.3 µm ; Qe = 1.8
De la Inocybe romana apenas podemos disponer de información en línea, apenas solo una descripción de Fermín Pancorbo en el documento de octubre de 2015 "Estudio de la micobiota de los ecosistemas dunares de la Península Ibérica e Islas Baleares III", transcribo esta descripción:
"Píleo convexo, normalmente con un pequeño umbón central, higrófano, de color ocráceo casi uniforme a pardusco en ejemplares más húmedos, de 18-25 × 6-8mm de diám. Cutícula finamente fibrilloso-lanosa, sobre todo hacia el margen, que en muchos casos presenta restos de una velipelis blanquecina sobre el píleo y más común sobre el margen. Láminas medianamente apretadas, con lamélulas (l=1-5), adnatas a libres, sinuosas, de color ocráceo claro en los ejemplares jóvenes a pardusco en los maduros, arista fimbriada más pálida que el resto. Estípite cilíndrico, lleno, de color ocráceo, cubierto por fibrillas blanquecinas longitudinales, más evidentes en los ejemplares jóvenes, de 24-45 × 3-5 mm. Cortina no observada, aunque se aprecian restos velares en el margen piléico y estípite en los ejemplares más jóvenes. Carne blanquecina con olor subespermático, que en algún caso recuerda al pelargonio.
Basidiosporas (correspondientes a todo el material estudiado), ovoides a subamigdaliformes, con ápice subcónico, en el cual se observa en algún caso un estrechamiento de la pared esporal, dando la apariencia de un pseudoporo, de (7,3-)8,1-10,2(-11,6) × (4,4-)4,8-5,9(-6,4) μm, Q = (1,4-)1,6-1,9(-2,1), N = 202, Me = 9,3 × 5,3 μm , Qe = 1,7. Basidios claviformes tetraspóricos, alguno con contenido amarillento. Pleurocistidios claviformes a utriformes, con el ápice redondeado a subcapitado, que en algunos casos presenta un exudado más o menos amarillento en potasa (NH4OH), dándole un aspecto de aura, de (46,3-)55,2-76,4(-83,6) × (15,6-)16,7-22,1(-28,0) μm, N = 54, Me = 66,2 × 19,6 μm, de paredes delgadas, con un espesor que no llega a 1 μm. Queilocistidios similares a los pleurocistidios, con paracistidios claviformes de paredes finas. Caulocistidios ausentes o presentes solo en el ápice del estípite, similares a los queilocistidios pero de morfología parecida a pelos caulocistidioides."
Descripción que parece encajar perfectamente con los datos del presente estudio.
Ya para terminar añado una imágen del árbol filogenético:
En el árbol, mi especie se encuentra perfectamente alineada dentro del Clado de lo que se considera como Inocybe romana, y como especies más cercanas a nivel molecular tenemos la Inocybe aeruginascens, la Inocybe hystrix, la Inocybe naekkii, y ya un poco más alejadas la Inocybe nitidiuscula y la Inocybe sororia.
Saludos.
Leer Más...
Hola.
Un Mixomiceto recolectado el pasado lunes en las cercanías de Playa Esmeralda (República Dominicana), una playa al norte de la Isla y cercana a la localidad de Miches.
Ejemplares fusionándose unos con otros y apareciendo de manera abundante sobre la madera de un tallo del suelo en descomposición de Coccoloba uvifera (Uva de mar).
La casualidad ha querido que compartiera el mismo apellido que el Annulohypoxylon que presenté ayer.
Badhamia nitens Berk.
Los esporocarpos sesiles a 20 aumentos:
Los esporocarpos a 40 aumentos, en los que en su interior ya se puede intuir el capilicio (de color blanco):
Membrana a 400 aumentos:
Membrana en agua a 1000 aumentos:
Abundantes gránulos de calcio en agua:
El capilicio hialino en agua:
Esporas a 400 aumentos, agrupadas en grupos de entre 4 a 20 esporas:
Uno de estos grupos a 1000 aumentos:
Las esporas en agua:
Estas esporas en función del plano observado, en su perímetro se puede apreciar su aspecto claramente espinoso, característico de la especie, ver miniatura superior izquierda:
Estas esporas verrucosas con unas medidas en agua sin contar la ornamentación de:
(10.1) 11.3 - 13.7 (14.3) × (9) 10.6 - 12.7 (13.4) µm
Q = 1 - 1.16 (1.2) ; N = 36
Me = 12.6 × 11.7 µm ; Qe = 1.1
Saludos.
Leer Más...


