- Foro
- Foros sobre Micología de fungipedia
- Microscopía
- Mollisia oblonga (C.J.K. Wang & B. Sutton) Ingo Wagner, Florian Prell & Baral
Mollisia oblonga (C.J.K. Wang & B. Sutton) Ingo Wagner, Florian Prell & Baral
4 meses 1 semana antes - 1 mes 3 semanas antes #110706
por JOSEP
Hola.
Llevo ya muchos años estudiando el género Mollisia, y de las que aparecen sobre madera en 9 de cada 10 ocasiones, siguiendo el criterio de las Claves que todos conocemos y que no puedo nombrar, atendiendo al sustrato, con reacción de los ascos "bb", con las hifas del excípulo pigmentadas , con esporas con unas medidas de 6-13 x 2,5-3,3 µm, y contenido de aceite 0, siempre me conducían a la Mollisia lividofusca, actualmente Tapesia lividofusca, he podido comprobar en mis archivos que dispongo de 12 estudios de la misma, llegado a este punto me resultaba muy difícil el admitir que siempre se trataba de la misma, por lo que decidí mandar unas muestras a por el análisis molecular, la secuenciación del gen ITS determinó que se trataba con una coincidencia del 100% de:
Mollisia oblonga (C.J.K. Wang & B. Sutton) Ingo Wagner, Florian Prell & Baral
A saber cuantas de las que tengo como Tapesia lividofusca están mal identificadas.
Muestras recolectadas el 7 de septiembre en el Pirineo Francés, bajo hayas.
Los apotecios a 20 aumentos tomadas con el microscopio de campo:
Los apotecios a 40 aumentos:
Unos apotecios a 100 aumentos:
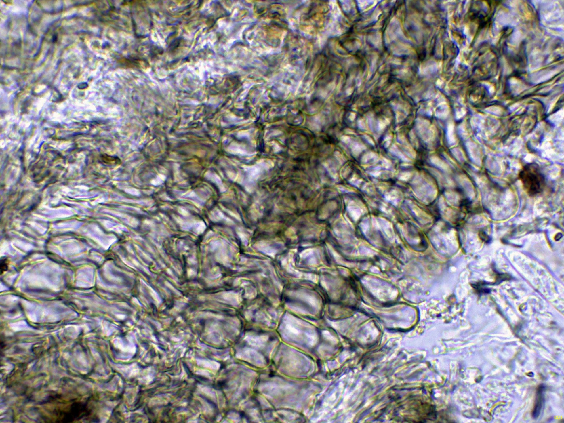
Las hifas del excípulo pigmentadas en agua:
Las hifas del excípulo en solución de Melzer, previo tratamiento con KOH:
Los ascos en agua:
Los ascos en reactivo de Melzer, con una muy discreta reacción amiloide de su diminuto aparato apical:
Una imágen de los ascos en solución de Lugol, con un resultado parecido:
Los ascos en solución de Melzer, precio tratamiento durante 10 minutos con KOH, en este medio se observa ya mejor la reacción amiloide :
Las paráfisis en agua con contenido vacuolar:
Una composición de las esporas libres observadas en agua:
Estas esporas con unas medidas de:
(9) 9.9 - 11.7 (12.8) × (2.8) 3 - 3.5 (3.7) µm
Q = (2.8) 3.1 - 3.6 (3.9) ; N = 40
Me = 10.8 × 3.2 µm ; Qe = 3.3
Añado una imágen con el árbol filogenético:
Aquí mi especie la JTP2644/25, se alinea perfectamente con lo que se puede considerar como Mollisia oblonga.
La Mollisia oblonga, es una especie prácticamente desconocida que ni tan siquiera aparece en las Claves, y prácticamente sin apenas información en la red, por contra disponemos de muchas secuencias de la misma en Genbank, pero resulta que al curiosear sobre estas secuencias, he podido comprobar que la mayoría de ellas se corresponden con recolectas efectuadas en Canadá, otras tantas en California y una de ellas de Whashington, sin ninguna mención de ninguna recolecta efectuada no tan solo en España, sino tampoco en el Continente Europeo.
Curiosamente el 7 de noviembre, en una salida por Cerler, a 29 Km. en línea recta de la anterior, me encuentro de nuevo con una Mollisia sobre madera con una microscopía prácticamente idéntica, la que honestamente sin el análisis molecular la debo archivar como Mollisia cf. oblonga.
Los apotecios a 40 aumentos:
Las hifas marginales en agua:
Las hifas del excípulo pigmentadas en agua:
Unos ascos en agua:
Los ascos en reactivo de Melzer, con reacción amiloide de su aparato apical:
Los ascos en reactivo de Melzer, previo tratamiento con KOH:
Y por último unas esporas en agua:
Estas esporas en agua con unas medidas de:
(9.1) 9.6 - 12.1 (13) × (2.9) 3.1 - 3.77 (3.8) µm
Q = (2.6) 2.8 - 3.6 (3.8) ; N = 36
Me = 10.7 × 3.4 µm ; Qe = 3.2
Unas medidas prácticamente idénticas a las del anterior estudio.
Saludos.
Llevo ya muchos años estudiando el género Mollisia, y de las que aparecen sobre madera en 9 de cada 10 ocasiones, siguiendo el criterio de las Claves que todos conocemos y que no puedo nombrar, atendiendo al sustrato, con reacción de los ascos "bb", con las hifas del excípulo pigmentadas , con esporas con unas medidas de 6-13 x 2,5-3,3 µm, y contenido de aceite 0, siempre me conducían a la Mollisia lividofusca, actualmente Tapesia lividofusca, he podido comprobar en mis archivos que dispongo de 12 estudios de la misma, llegado a este punto me resultaba muy difícil el admitir que siempre se trataba de la misma, por lo que decidí mandar unas muestras a por el análisis molecular, la secuenciación del gen ITS determinó que se trataba con una coincidencia del 100% de:
Mollisia oblonga (C.J.K. Wang & B. Sutton) Ingo Wagner, Florian Prell & Baral
A saber cuantas de las que tengo como Tapesia lividofusca están mal identificadas.
Muestras recolectadas el 7 de septiembre en el Pirineo Francés, bajo hayas.
Los apotecios a 20 aumentos tomadas con el microscopio de campo:
Los apotecios a 40 aumentos:
Unos apotecios a 100 aumentos:
Las hifas del excípulo pigmentadas en agua:
Las hifas del excípulo en solución de Melzer, previo tratamiento con KOH:
Los ascos en agua:
Los ascos en reactivo de Melzer, con una muy discreta reacción amiloide de su diminuto aparato apical:
Una imágen de los ascos en solución de Lugol, con un resultado parecido:
Los ascos en solución de Melzer, precio tratamiento durante 10 minutos con KOH, en este medio se observa ya mejor la reacción amiloide :
Las paráfisis en agua con contenido vacuolar:
Una composición de las esporas libres observadas en agua:
Estas esporas con unas medidas de:
(9) 9.9 - 11.7 (12.8) × (2.8) 3 - 3.5 (3.7) µm
Q = (2.8) 3.1 - 3.6 (3.9) ; N = 40
Me = 10.8 × 3.2 µm ; Qe = 3.3
Añado una imágen con el árbol filogenético:
Aquí mi especie la JTP2644/25, se alinea perfectamente con lo que se puede considerar como Mollisia oblonga.
La Mollisia oblonga, es una especie prácticamente desconocida que ni tan siquiera aparece en las Claves, y prácticamente sin apenas información en la red, por contra disponemos de muchas secuencias de la misma en Genbank, pero resulta que al curiosear sobre estas secuencias, he podido comprobar que la mayoría de ellas se corresponden con recolectas efectuadas en Canadá, otras tantas en California y una de ellas de Whashington, sin ninguna mención de ninguna recolecta efectuada no tan solo en España, sino tampoco en el Continente Europeo.
Curiosamente el 7 de noviembre, en una salida por Cerler, a 29 Km. en línea recta de la anterior, me encuentro de nuevo con una Mollisia sobre madera con una microscopía prácticamente idéntica, la que honestamente sin el análisis molecular la debo archivar como Mollisia cf. oblonga.
Los apotecios a 40 aumentos:
Las hifas marginales en agua:
Las hifas del excípulo pigmentadas en agua:
Unos ascos en agua:
Los ascos en reactivo de Melzer, con reacción amiloide de su aparato apical:
Los ascos en reactivo de Melzer, previo tratamiento con KOH:
Y por último unas esporas en agua:
Estas esporas en agua con unas medidas de:
(9.1) 9.6 - 12.1 (13) × (2.9) 3.1 - 3.77 (3.8) µm
Q = (2.6) 2.8 - 3.6 (3.8) ; N = 36
Me = 10.7 × 3.4 µm ; Qe = 3.2
Unas medidas prácticamente idénticas a las del anterior estudio.
Saludos.
Adjuntos:
Última Edición: 1 mes 3 semanas antes por JOSEP.
Por favor, Identificarse o Crear cuenta para unirse a la conversación.
- Foro
- Foros sobre Micología de fungipedia
- Microscopía
- Mollisia oblonga (C.J.K. Wang & B. Sutton) Ingo Wagner, Florian Prell & Baral
Tiempo de carga de la página: 0.334 segundos



Foro de micología