Clavariadelphus truncatus
Josep Torres
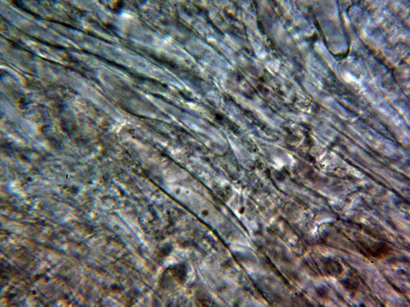
Descripción
Sistema hifal monomítico, formado por hifas generativas filamentosas, lisas, hialinas, dispuestas más o menos paralelamente o solo muy ligeramente entrelazadas entre si, que se pueden disociar fácilmente y provistas de gruesas fíbulas.
Basidios de base fina, que se van ensanchando progresivamente, con abundante contenido granuloso en su interior y tetraspóricos.
Esporas elipsoidales, lisas, hialinas, con un marcado apículo lateral y tenue contenido granuloso en su interior.
Medidas microscópicas
N: 30
Largo: 8.88 - 11.69 (Me: 10.10)
Ancho: 5.52 - 7.13 (Me: 6.26)
Q: 1.38 - 1.93 (Qe: 1.60)
Referencias geográficas
Mapa de distribución interactivo generado a partir de datos de GBIF.
Galería macroscópica
1 / 16
Clavariadelphus truncatus 1 - IMG_0282
Galería microscópica
1 / 13
Clavariadelphus truncatus 17 - Hifas contexto 1